kihua logo sinfonia logo
  | | |  
 
 
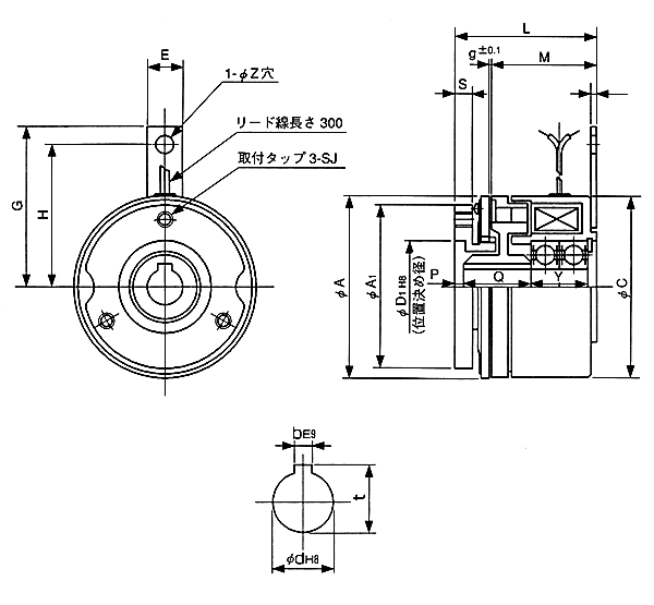
shinko_sinfonia_神钢电机离合器<BO-4.8>

 

形 式

BO-4.8
静摩擦トルク  Nm
1.2

定格電圧      DC-V

24
消費電力      W(at75℃)
5

質量              kg

0.30


A 48
A1 37
C 48
D1 22
E 10
G 43
H 38


L 38
M 27
N 1.6
P 2.5
Q 19
R -
S 5
Y 14
g 0.3
Z 5

SJ P.C.D 30
タップ M3×0.5

d 8
b 2.5
t 8.9


DMP-10/24





FMP-10DA
EMP-20DB
CSM-55DB
CMPH-100/4HA

 

关闭窗口

 
上海起华机械有限公司 Shanghai KIHUA Machinery Co., Ltd.@版权所有
|
首页 |品牌列表 |关于我们 |联系我们 |