kihua logo sinfonia logo
  | | |  
 
 
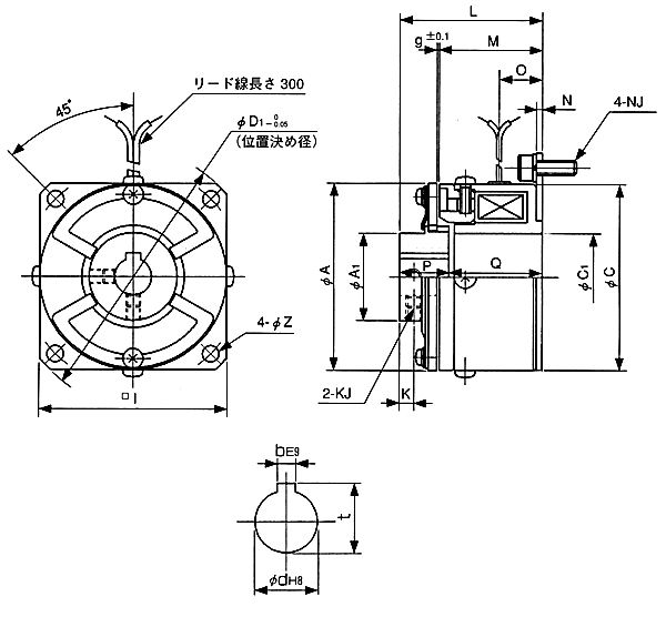
shinko_sinfonia_神钢电机制动器<BB-6>

 

形 式

BB-6
静摩擦トルク  Nm
4

定格電圧     DC-V

24
消費電力      W(at75℃)
10.6

質量              kg

0.45


A 58.5
A1 28
C 61
C1 25.5
D1 80
I 61


L 42
M 28
N 1.6
O 6.6
P 15
Q 27
g 0.3
Z 4.5

K 5
KJ M5×5
NJ P.C.D 70
ボルト M4×12

d 12
b 4
t 13.5


DMP-10/24





FMP-10DA
EMP-20DB
CSM-55DB
CMPH-100/4HA

 

关闭窗口

 
上海起华机械有限公司 Shanghai KIHUA Machinery Co., Ltd.@版权所有
|
首页 |品牌列表 |关于我们 |联系我们 |