kihua logo sinfonia logo
  | | |  
 
 
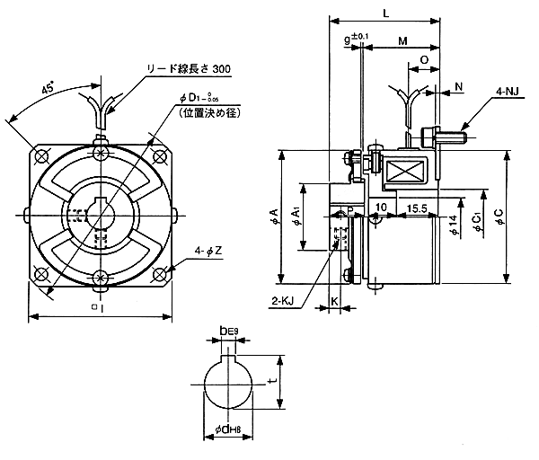
shinko_sinfonia_神钢电机制动器<BB-4.8>

 

形 式

BB-4.8
静摩擦トルク  Nm
1.2

定格電圧     DC-V

24
消費電力      W(at75℃)
5

質量              kg

0.27


A 48
A1 24
C 48
C1 20
D1 65
I 48


L 39.5
M 28
N 1.6
O 15
P 12.5
Q 27
g 0.3
Z 4.5

K 4
KJ M4×4
NJ P.C.D 57
ボルト M4×12

d 8
b 2.5
t 8.9


DMP-10/24





FMP-10DA
EMP-20DB
CSM-55DB
CMPH-100/4HA

 

关闭窗口

 
上海起华机械有限公司 Shanghai KIHUA Machinery Co., Ltd.@版权所有
|
首页 |品牌列表 |关于我们 |联系我们 |