kihua logo sinfonia logo
  | | |  
 
 
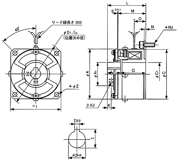
shinko_sinfonia_神钢电机制动器<BB-3.5>

 

形 式

BB-3.5
静摩擦トルク  Nm
0.25

定格電圧     DC-V

24
消費電力      W(at75℃)
2

質量              kg

0.13


A 33.5
A1 16
C 35
C1 13.5
D1 47
I 35


L 31
M 22
N 1.6
O 8.1
P 10
Q 21
g 0.2
Z 3.2

K 3
KJ M3×3
NJ P.C.D 41
ボルト M3×6

d 6
b 2
t 6.9


DMP-10/24





FMP-10DA
EMP-20DB
CSM-55DB
CMPH-100/4HA

关闭窗口
 
上海起华机械有限公司 Shanghai KIHUA Machinery Co., Ltd.@版权所有
|
首页 |品牌列表 |关于我们 |联系我们 |